- qy球友会(能源)EN500变频器在挖沙船上的应用
- 沙是建筑行业最基本的材料之一,需求量大。如何取得大量的沙,满足现代建筑的需求,在众多的取沙设备中,挖沙船是最广泛的使用设备之一。挖沙船在长江三角及珠江三角出海口分布比较多,挖沙船在江海口挖沙,可以生产很多的建筑用沙,其次可以疏通河道,避免大型沙滩的形成,便于大型船只停泊港口建设。

设备介绍
挖沙船的主要工作原理:该设备由船体、输送系统、进水系统、排空系统等组成,输送系统包括动力、离合器、抽沙泵等,排空系统包括高压水泵、抽真空装置等。挖沙船利用水力的作用,将高压水枪喷射出的水柱冲起的细沙、海沙等在水泵的作用下由管道输送到目的地。
挖沙船的主要系统工艺:现在在入海口作业的大型挖沙船操作使用方法是:靠虹吸管从海底将泥沙吸到船上,然后经过清水清洗,对泥沙进行分离。左右轮斗将沙从清洗池运送到沙槽内,再顺利获得左右横向皮带将沙输送到运沙船上,完成挖沙的过程。由于工况需要吸沙管(虹吸管)、吸沙管(虹吸管)三脚架、容器斗、运输皮带输出都需要调速。


系统配置
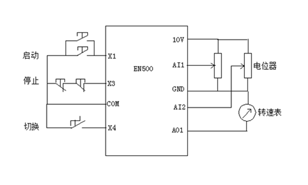
该挖沙船传动系统使用了一台qy球友会(能源)EN500-220KW变频器应用在挖沙装置上,驱动电机拖动超重负载实现无级调速。变频器采用外部端子三线制控制及外部电位器调速,满足两地远程均可启停调速。针对船上采用柴油机发电,电源质量不佳;船体走线过长,易引起干扰的环境特点,变频器加装了输入电抗器和输出电抗器以增加功率因素,抑制电磁干扰。


应用优势
·挖沙船采用qy球友会(能源)EN500型变频器节能改造后,使电机启动电流小,对电网无冲击,低速时电能损耗小,起到了节能作用。在选取柴油发电机时功率可适当减小,节约了成本。
·系统顺利获得qy球友会(能源)EN500高性能变频器的加持,使电机低频输出力矩大,拖动超重负载运行流畅无迟滞,控制电机实现无极调速,满足了不同生产要求,大大提高了生产效率。
·qy球友会(能源)EN500型变频器具备缺相保护、欠压保护、过载保护、等智能保护功能,遇到水下有障碍物时,变频器对电机和柴油发电机都能起到有效的保护作用,使系统稳定可靠。
